最新上架
更多- 风华高科MFJ10HR系列合金电阻:高精度低阻场景的全能解决方案
- STM32F407VGT6的完美国产替代——中科芯CKS32F407VGT6在智能电力网关的应用
- 电路掩护新突破:槟城电子BMG14D系列压敏复合器件如何守护你的电子设备
- 奥伦德X0L、X01系列高速隔离运放光耦:打开信号传输新起点
- 国巨CA0612系列排容在汽车电子中有哪些具体应用?
- 基美通用贴片电容C1210C、C1210V、C1210W、C1210X系列介绍
- 可替代STM32F407ZGT6的国产MCU CKS32F407ZGT6在运动控制器中的应用
- 国巨汽车级高压电阻RV1206BR-07, RV1206DR-07, RV1206FR-07, RV1206FR-13, RV1206JR-07, RV1206JR-13系列选型资料
- 立隆VZT331M系列贴片铝电解电容:高温长寿命与低阻抗特性的工业级解决方案
- 替代LMV321AS5X的国产运算放大器:友顺科技LV321G选型资料
力芯微ET5014AM-国产汽车信号链IC型号推荐
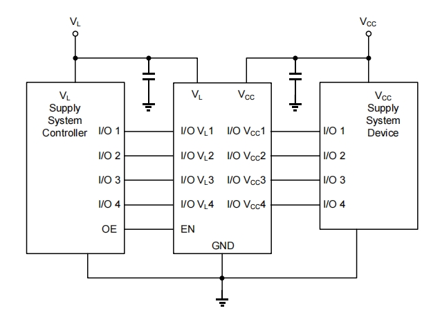
ET5014AM是一个4位双向电平转换器,其中输入和输出端口自动切换,无需偏向控制。每个通道的数据路径可以是从I/O_VLn到I/O_VCCn或从I/O_VCCn到I/O_VLn。所有I/O端口均设计用于跟踪两个差异的电源轨,划分为VCC和VL。两个电源电压均可在1.1V至5.0V规模内配置。VCC和VL电源是独立的,这使得VL侧的逻辑信号可以转换为VCC侧的更高或更低的逻辑信号电压,反之亦然。 该ET5014AM具有高输出电流能力,使转换器能够驱动高容性负载,例如大多数高频EMI滤波器。使能引脚(EN)用于降低功耗。EN引脚可用于通过将两个I/O端口置于3态来禁用它们,从而显著降低VCC和VL的电源电流。EN信号以VL电源为基准。 ET5014AM的事情情况温度规模为-40°C至+105°C。
特性
- 宽VCC、VL事情规模:1.1V至5.0V
- VL和VCC是独立的
- VL可能大于、即是或小于VCC
- 100pF高电容驱动能力
- 高速,保证VCC、VL>1.8V的100Mbps数据速率
- 低比特到比特偏斜
- 过压容限使能和I/O引脚
- 非优先上电时序
- 断电掩护
- 切合汽车AEC-Q1002级尺度
- 封装尺寸:QFN12 (1.7 mm x 2.0 mm)
应用
- 汽车信息娱乐系统和仪表盘
- 汽车其他设备
引脚说明

芯片框图

应用电路

















