×îÐÂÉϼÜ
¸ü¶à- ·ç»ª¸ß¿ÆMFJ10HRϵÁкϽðµç×裺¸ß¾«¶ÈµÍ×賡¾°µÄÈ«Äܽâ¾ö·½°¸
- STM32F407VGT6µÄÍêÃÀ¹ú²úÌæ´ú¡ª¡ªÖпÆÐ¾CKS32F407VGT6ÔÚÖÇÄܵçÁ¦Íø¹ØµÄÓ¦ÓÃ
- µç·ÑÚ»¤ÐÂÍ»ÆÆ£ºéijǵç×ÓBMG14DϵÁÐѹÃô¸´ºÏÆ÷¼þÈçºÎÊØ»¤ÄãµÄµç×ÓÉ豸
- °ÂÂ×µÂX0L¡¢X01ϵÁиßËÙ¸ôÀëÔ˷Źâñ´ò¿ªÐźŴ«ÊäÐÂÆðµã
- ¹ú¾ÞCA0612ϵÁÐÅÅÈÝÔÚÆû³µµç×ÓÖÐÓÐÄÄЩ¾ßÌåÓ¦Óã¿
- »ùÃÀͨÓÃÌùƬµçÈÝC1210C¡¢C1210V¡¢C1210W¡¢C1210XϵÁнéÉÜ
- ¿ÉÌæ´úSTM32F407ZGT6µÄ¹ú²úMCU CKS32F407ZGT6ÔÚÔ˶¯¿ØÖÆÆ÷ÖеÄÓ¦ÓÃ
- ¹ú¾ÞÆû³µ¼¶¸ßѹµç×èRV1206BR-07£¬ RV1206DR-07£¬ RV1206FR-07£¬ RV1206FR-13£¬ RV1206JR-07£¬ RV1206JR-13ϵÁÐÑ¡ÐÍ×ÊÁÏ
- Á¢Â¡VZT331MϵÁÐÌùƬÂÁµç½âµçÈÝ£º¸ßγ¤ÊÙÃüÓëµÍ×è¿¹ÌØÐԵĹ¤Òµ¼¶½â¾ö·½°¸
- Ìæ´úLMV321AS5XµÄ¹ú²úÔËËã·Å´óÆ÷£ºÓÑ˳¿Æ¼¼LV321GÑ¡ÐÍ×ÊÁÏ
ET64B16VAM¶ÔET64C16YAM£º¹ú²ú16λͨÓÃI/O½Ó¿ÚÀ©Õ¹Ð¾Æ¬Ñ¡ÐÍ×ÊÁÏ
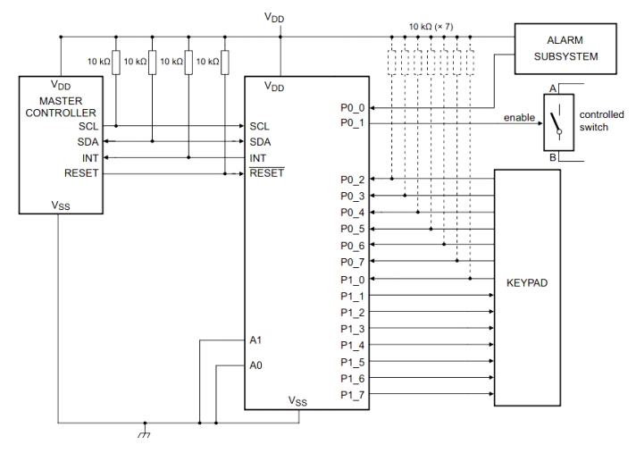
Æû³µÐźÅÁ´ IC ÊDZ£ÕÏÆû³µµç×Óϵͳ¸ßЧÔËÐеÄÒªº¦×é¼þ¡£ËüÄܾ«×¼´¦Öóͷ£ºÍ´«ÊäÖÖÖÖÐźţ¬ÌáÉý³µÁ¾µÄÄþ¾²ÐÔ¡¢Îȶ¨ÐÔÓëÖÇÄÜ»¯¡£Á¦Ð¾Î¢£¨ETEK£©Êǹú²úÆû³µÐźÅÁ´ICÖªÃû³§¼ÒÖ®Ò»¡£ET64B16VAM¶ÔET64C16YAMÊÇÖйúоƬÉÏÊй«Ë¾Á¦Ð¾Î¢Ö÷ÍÆµÄÁ½¿î 16 λͨÓà I/O À©Õ¹Ð¾Æ¬£¬¿Éͨ¹ý I2C ×ÜÏß½Ó¿ÚΪ´ó¶àÊý΢¿ØÖÆÆ÷ϵÁÐÌṩԶ³Ì I/O À©Õ¹¡£ET64C16YAMΪI/O¶Ë¿ÚÀ©Õ¹ÌṩÁ˼òÆÓµÄ½â¾ö·½°¸£¬ÏÕЩ»¥Á¬¼´¿ÉʵÏÖ¡£³ýÁËÌṩһ×éÁé»îµÄGPIO¶Ë¿ÚÍ⣬Ëü»¹Ö§³Ö²îÒìµçѹÉ豸֮¼äµÄµçƽת»»£¬Ê¹Æä¿ÉÒÔÁé»îµØÓ¦ÓÃÓÚ¶àµçѹ»ìÏýÐźÅÇé¿ö¡£
£¬µ«ÊǾù¾ßÓÐËÄ¶Ô 8 λ¼Ä´æÆ÷£ºÅäÖüĴæÆ÷¡¢ÊäÈë¼Ä´æÆ÷¡¢Êä³ö¼Ä´æÆ÷ºÍ¼«ÐÔ·´×ª¼Ä´æÆ÷¡£
Éϵçʱ£¬ËùÓÐ I/O ¶Ë¿Ú¶¼ÅäÖÃΪÊäÈë״̬¡£Í¨¹ýÅäÖà I/O ¶Ë¿ÚµÄÅäÖüĴæÆ÷£¬ÏµÍ³¿ÉÒÔÈ·¶¨Ã¿¸ö I/O ¶Ë¿ÚµÄÊäÈëºÍÊä³ö״̬¡£Ã¿¸öÊäÈë»òÊä³öÊý¾Ý¶¼´æ´¢ÔÚÏàÓ¦µÄÊäÈë»òÊä³ö¼Ä´æÆ÷ÖС£Í¨¹ýÅäÖü«ÐÔ·´×ª¼Ä´æÆ÷£¬¿ÉÒԷתÊäÈë¼Ä´æÆ÷µÄ¼«ÐÔ£¬ÒÔ½ÚÊ¡ÍⲿÂß¼ÃÅ¡£
µ±·¢Éú³¬Ê±»ò´íÎó²Ù×÷ʱ£¬Ö÷»ú¿ÉÒÔͨ¹ýÔÚÖØÖö˿ÚÉÏÓ¦Óõͼ¶±ðÀ´ÖØÖÃET64B16VAM¡£µ±Éϵ縴λʱ£¬ËùÓмĴæÆ÷¶¼´¦ÓÚĬÈÏ״̬£¬¶øÇÒ³õʼ»¯I2C BUS/SM BUS״̬»ú¡£
µ±ÈκÎÊäÈë״̬ÓëÆä¶ÔÓ¦µÄÊäÈë¼Ä´æÆ÷״̬²îÒìʱ£¬ET64C16YAMºÍET64B16VAM¿ªÂ©ÖжÏÊä³ö´¦ÓÚÔ˶¯×´Ì¬£¬ÒÔÏòÖ÷»úָʾÊäÈë״̬ÒѸü¸Ä¡£
INT ¿ÉÒÔÁ¬½Óµ½Î¢¿ØÖÆÆ÷µÄÖжÏÊäÈ롣ͨ¹ý·¢ËÍÖжÏÐźţ¬Î¢¿ØÖÆÆ÷¶Ë¿Ú±»¼û¸æÓÐÊý¾Ý½øÈ룬¶ø²»ÊÇͨ¹ý I2C ×ÜÏß¡£
ET64B16VAMµÄPort PÊä³ö¿ÉÌṩ25mA¹à×¢µçÁ÷£¬¿ÉÖ±½ÓÇý¶¯LED¡£
Ó²¼þµØÖ·Òý½Å£¨A1¡¢A0£©¿ÉÓÃÓÚ±à³ÌºÍ¸ü¸ÄI2C BUSµØÖ·¡£
ÌØÐÔ
- I2C-BUSµ½²¢Ðж˿ÚÀ©Õ¹Æ÷
- ÊÂÇéµçÔ´µçѹ¹æÄ£Îª 1.65V ÖÁ 5.5V
- µÍ´ý»úµçÁ÷ÏûºÄ
- --VDD=5VʱΪ1.5uA£¨µäÐÍÖµ£©
- --VDD=3.3VʱΪ1.0uA£¨µäÐÍÖµ£©
- Ê©ÃÜÌØ´¥·¢Æ÷Ðж¯¿ÉÔÚSCLºÍSDAÊäÈë¶ËʵÏÖ»ºÂýµÄÊäÈëת»»ºÍ¸üºÃµÄ¿ª¹ØÔëÉù¿¹ÈŶÈ
- --VHYS = 0.15V£¨µäÐÍÖµ£©£¬VDD=1.8Vʱ
- --VHYS = 0.20V£¨µäÐÍÖµ£©£¬VDD=2.5Vʱ
- --VDD=3.3Vʱ£¬VHYS = 0.26V£¨µäÐÍÖµ£©
- --VHYS = 0.45V£¨µäÐÍÖµ£©£¬VDD=5Vʱ
- 5V ÄÍѹI/O¶Ë¿Ú
- µÍµçƽÓÐЧ¸´Î»ÊäÈë
- ©¼«¿ªÂ·µÍµçƽÓÐЧÖжÏÊä³ö
- 400 kHz ¿ìËÙģʽI2C-BUS
- ÄÚ²¿Éϵ縴λ
- Éϵçʱ£¬ËùÓÐͨµÀ¶¼ÅäÖÃΪÊäÈë
- SCL/SDAÊäÈëÉϵÄÔëÉùÂ˲¨Æ÷
- Êä³ö¾ßÓÐ25mAµÄ×î´óÇý¶¯ÄÜÁ¦£¬¿ÉÖ±½ÓÇý¶¯LED
- ãÅËøÐÔÄÜÁè¼Ý 100mA
- ÇкÏAEC-Q100 Grand 1 ³ß¶È
- -- Çé¿öζȹæÄ££º-40°C ÖÁ 125°C
- -- HBM ESD ÑÚ»¤Áè¼Ý±2000V
- -- CDM ESDÑÚ»¤Áè¼Ý±1000V
- -- 3¼¶
ET64B16VAM¶ÔET64C16YAMÁ½¿îI/O½Ó¿ÚÀ©Õ¹Ð¾Æ¬²îÒìµã£º
- ·â×°²îÒ죻Á½Õß·â×°²îÒ죬ǰÕßÊÇTSSOP24·â×°£¬ºóÕßÊÇQFN24·â×°¡£
- ÊªÆøÃô¸ÐÐÔÆ·¼¶£¨MSL£©Æ·¼¶²îÒ죺ǰÕßλ3¼¶·À³±£¬ºóÕßλ1¼¶¡£
- ¿É±à³ÌÒý½ÅÊý²îÒ죺ǰÕßλ2¼¶·À³±£¬ºóÕßλ3¼¶¡£
- ÆäËü²îÒ죺¸ü¶àϸ½Ú²îÒ죬Çë×ÉѯÖпÆÐ¾I/O½Ó¿ÚÀ©Õ¹Ð¾Æ¬ÊðÀíÉÌ-AHABET¹Ù·½ÍøÕ¾µç×Ó¹ÙÍø¿Í·þ
Òý½Å˵Ã÷

£¨ET64B16VAMÒý½Å˵Ã÷£©

£¨ET64C16YAMÒý½Å˵Ã÷£©
оƬ¿òͼ

Ó¦Óõç·

















